- Hlavní strana
- Náhradní díly
- BOSCH
- Aku nářadí Bosch
- Aku pily Bosch
- Aku speciální pily Bosch
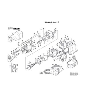
- Aku pila ocaska GSA 24 VE Bosch 3601F45703
Ceny produktů se zobrazí po registraci a přihlášení. Registraci pro firemní zákazníky najdete ZDE.
Rozpis pro náhradní díly
Odeslat e-mail
Aktuality na e-mail
Jednou měsíčně Vám pošleme e-mail plný inspirací, slev a zajímavostí ze světa nářadí. Vaši adresu nezneužijeme a odběr můžete kdykoliv odhlásit.
Odeslat dotaz
Vážení zákazníci, z technických důvodů odpovídáme na vaše dotazy ohledně objednávek a zboží pouze prostřednictvím emailu. Děkujeme vám za pochopení.
" ServerAddress="www.e-yssentools.cz" ServerAddressB2B="www.e-yssentools.cz" SQLOnlineTimeout="25000" DayOff="" EnableMultiLanguage="1" Holidays="" IsDebug="1" UseAjaxStock="0" DeepMultiLanguage="1" EnableMojeID="0" ApplyBulkDiscount="1" DefaultLanguageID="1" DefaultAdminLanguageID="1" ChckCodeLength="4" AllowUnregisteredOrder="1" CategoriesVisibleInParentTree="1" CommodityCanInsertToMultipleCategories="1" DaysToMarkItemsAsNew="0" DefaultCategoryView="catalogue" DefaultCountForOrder="1" DefaultVATValue="21" DiscountCountAtaTime="1" DiscountSumMax="25" GlobalDiscount="0" IgnoreStatisticsFromIPs="" IndividualUserPrices="0" ManualTopSale="1" ParamOrderFromCat="0" ProjectProgrammerEmail="programator@netdirect.cz" ShowAdvancedSEO="1" ShowPricesWithoutVAT="0" ShowPricesWithVAT="1" ShowProducerImageList="0" StorePricesWithVAT="0" AllowedProjectDomain="" Database="MasterShopTest" ImportFolderASP="d:\BatchImport\MasterShopTest.cz\" ImportFolderSQL="\\scvyvoj\batchimport\MasterShopTest.cz\" ImportForlderPath="/files/import/" LinkedWithAccounting="1" PromptChat="0" ShopName="Nářadí" UseSEOUrl="1" UseSingleDeliveryAddressField="0" XMLExportPath="/tmpdata/xml/" XMSPath="/templates/xms/" XSLSystemPath="/templates/xsl_sys/" XSLUserPath="/templates/xsl_usr/" CaptchaExt="gif" EnableSms="0" CaptchaPrefix="img_" ChckCodeType="alphanum" YSSENbaskets="0" MailChimpApiKey="da88c3aa5f5559e93270fc8afee9590b-us11" PropagationText="" DefaultCurrencyID="2" UrlLanguage="www.ynaradi.cz">Marketingové cookies jsou používány pro sledování návštěvníků na webových stránkách. Záměrem je zobrazit reklamu, která je relevantní a zajímavá pro jednotlivého uživatele a tímto hodnotnější pro vydavatele a inzerenty třetích stran.
| Název | Poskytovatel | Účel | Vypršení | Typ |
| sid | Seznam | Toto je velmi běžný název souboru cookie, ale pokud je nalezen jako soubor cookie relace, pravděpodobně bude použit jako pro správu stavu relace pro seznam.cz. | 1 month | cookie |
| IDE | 2 years | cookie | ||
| fbssls_ | session | session | ||
| _gcl_au | Používá Google AdSense k experimentování s účinností reklamy na webových stránkách využívajících jejich služby | 3 months | cookie | |
| IDE | Tento soubor cookie je nastaven společností Doubleclick a poskytuje informace o tom, jak koncový uživatel používá webovou stránku, a jakoukoli reklamu, kterou koncový uživatel mohl vidět před návštěvou uvedené webové stránky. | 2 years | cookie | |
| test_cookie | Tento soubor cookie nastavuje společnost DoubleClick (která je ve vlastnictví společnosti Google), aby zjistila, zda prohlížeč návštěvníka webové stránky podporuje soubory cookie. | 15 minutes | cookie | |
| _fbp | Používá Facebook k poskytování řady reklamních produktů, jako jsou nabídky v reálném čase od inzerentů třetích stran | 3 months | cookie |
Statistické cookies pomáhají majitelům webových stránek, aby porozuměli, jak návštěvníci používají webové stránky. Anonymně sbírají a sdělují informace.
| Název | Poskytovatel | Účel | Vypršení | Typ |
| History.store | Netdirect | bcd | session | session |
| _ga | Tento název souboru cookie je spojen s Google Universal Analytics – což je významná aktualizace běžněji používané analytické služby Google. Tento soubor cookie se používá k rozlišení jedinečných uživatelů přiřazením náhodně vygenerovaného čísla jako identifikátoru klienta. Je součástí každé žádosti o stránku na webu a používá se k výpočtu údajů o návštěvnících, relacích a kampaních pro analytické přehledy stránek. | 2 years | cookie | |
| _gid | Tento soubor cookie je nastaven službou Google Analytics. Ukládá a aktualizuje jedinečnou hodnotu pro každou navštívenou stránku a používá se k počítání a sledování zobrazení stránek. | 1 day | cookie | |
| _gat | Tento název souboru cookie je spojen s Google Universal Analytics a podle dokumentace se používá ke snížení rychlosti požadavků – omezuje shromažďování údajů na webech s vysokou návštěvností. | 1 minute | cookie | |
| _gat_UA-* | Jedná se o soubor cookie typu vzor nastavený službou Google Analytics, kde prvek vzoru v názvu obsahuje jedinečné identifikační číslo účtu nebo webu, ke kterému se vztahuje. Jedná se o variantu souboru cookie _gat, který se používá k omezení množství dat zaznamenaných společností Google na webových stránkách s vysokým objemem návštěvnosti. | 1 minute | cookie |
Nutné cookies pomáhají, aby byla webová stránka použitelná tak, že umožní základní funkce jako navigace stránky a přístup k zabezpečeným sekcím webové stránky. Webová stránka nemůže správně fungovat bez těchto cookies.
| Název | Poskytovatel | Účel | Vypršení | Typ |
| ASP.NET_SessionId | Netdirect | Je soubor cookie, který se používá k identifikaci relace uživatele na serveru. Relace je oblast na serveru, kterou lze použít k ukládání dat mezi požadavky http. | session | cookie |
| _userIdentity | Netdirect | Nutná informace k identifikaci přihlášeného uživatele. Při speciálním přihlašování. | 14 days | cookie |
| _GRECAPTCHA | Google reCAPTCHA nastaví při spuštění nezbytný soubor cookie (_GRECAPTCHA) za účelem poskytování analýzy rizik. | session | cookie | |
| _userRegistered | Netdirect | 14 days | cookie | |
| activeBasketID | Netdirect | 14 days | cookie | |
| lastCat | Netdirect | 1 year | cookie | |
| _grecaptcha | session | localStorage | ||
| CookieConsent | Netdirect | 1 year | cookie | |
| HideCookieConsetComponent | Netdirect | 1 year | cookie | |
| notificationBarShow | Netdirect | 14 days | cookie | |
| _sp_id.9bf6 | Netdirect | 2 years | cookie | |
| _sp_ses.9bf6 | Netdirect | 30 mínutes | cookie | |
| cur | Netdirect | 14 days | cookie | |
| notificationBarValue | Netdirect | 14 days | cookie |
Preferenční cookies umožňují, aby si webová stránka zapamatovala informace, které mění, jak se webová stránka chová nebo jak vypadá. Je to například preferovaný jazyk nebo region, kde se nacházíte.
| Název | Poskytovatel | Účel | Vypršení | Typ |
Neklasifikované cookies jsou cookies, které máme v procesu klasifikování společně s poskytovateli jednotlivých cookies.
| Název | Poskytovatel | Účel | Vypršení | Typ |
